Produse
ACASA > Produse
Aparatură combinată de joasă tensiune GGJ
  • Aparatură combinată de joasă tensiune GGJAparatură combinată de joasă tensiune GGJ

Aparatură combinată de joasă tensiune GGJ

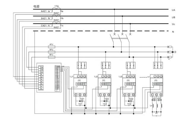
Aparatul de comutare combinat de joasă tensiune GGJ dezvoltat de Welcome (Wenzhou) Electric Co., Ltd., un producător profesionist din China, are un design asistat de computer și o tehnologie de control integrată a microcomputerelor pentru a urmări și compensa în mod inteligent puterea reactivă. Având o structură rațională și o tehnologie matură, este aplicat pe scară largă în rețelele electrice de joasă tensiune.

În calitate de producător profesionist din China, fabrica Comewill ar dori să vă ofere un aparat de comutare combinat de joasă tensiune GGJ de calitate, care mărește în mod eficient factorul de putere, reduce pierderea de putere reactivă și îmbunătățește calitatea sursei de alimentare. Controlat de un controler inteligent, oferă funcționalitate completă și performanță fiabilă cu compensare automată, capabilă să ridice factorul de putere la peste 0,9.

Aparatul de comutare combinat de joasă tensiune GGJ oferă afișare în timp real a factorului de putere al rețelei, acoperind atât intervalele întârziate (0,00-0,99) cât și cele de vârf (0,00-0,99). Este echipat cu funcții complete de protecție împotriva supratensiunii, armonicilor excesive, supracompensare, defecțiuni ale sistemului, pierderi de fază, suprasarcină și multe altele. Acesta păstrează parametrii setați chiar și în timpul întreruperilor de curent, reluând automat funcționarea odată ce rețeaua se stabilizează - nu este nevoie de personal la fața locului.

Pe baza echilibrului de sarcină a rețelei, GGJ Low Voltage Combination Switchgear acceptă compensarea fază cu fază sau moduri mixte de compensare. Cu o capacitate puternică anti-interferență, rezistă la impulsuri de interferență cu amplitudine de 2000 V direct din rețea, depășind standardele naționale ale industriei. În fiecare oră, dispozitivul măsoară și înregistrează tensiunea trifazată, curentul, frecvența, puterea activă, puterea reactivă, factorul de putere, energia activă, energia reactivă pe partea de joasă tensiune a transformatorului, precum și ratele totale de distorsiune a tensiunii/curentului și a conținutului de armonică a 2-a până la a 25-a. Echipat cu interfețe RS-232 și RS-485, permite transcrierea datelor prin intermediul computerelor portabile.

Prin comunicarea de la distanță, realizează citirea contorului fără fir, testarea dispozitivului, configurarea parametrilor și accesul la date înregistrate și în timp real. Funcția sa încorporată de analiză a datelor acceptă procesarea, statisticile și interogarea datelor de încărcare operațională. Evaluează cuprinzător calitatea sursei de alimentare calculând rata de calificare a tensiunii, rata de încărcare, rata de fiabilitate și rata maximă de încărcare. Utilizatorii pot verifica factorul de putere, puterea activă și puterea reactivă pentru diferite perioade de timp, pot genera curbe pentru tensiunea de fază, curent, factorul de putere etc. și pot imprima analize cuprinzătoare și rapoarte statistice.

Aplicați standardele

IEC439:《Aparatură de joasă tensiune și echipamente de control》
GB7251:《Aparatură de joasă tensiune》

Descrierea tipului

Stare normală de service

1. Temperatura aerului ambiant nu trebuie să depășească +40℃ sau sub -5℃, iar temperatura medie pe 24 de ore nu poate depăși +35℃. Dacă aceste limite de temperatură sunt depășite, va trebui să reduceți capacitatea de funcționare a dispozitivului în funcție de condițiile reale.
2. Acest aparat de comutare combinat de joasă tensiune GGJ este proiectat numai pentru utilizare în interior, iar altitudinea locului de instalare nu trebuie să depășească 2000 de metri.
3. Când temperatura maximă atinge +40℃, umiditatea relativă a aerului ambiant ar trebui să rămână sub 50%. La temperaturi mai scăzute, umiditatea mai mare este acceptabilă - de exemplu, 90% la +20℃. De asemenea, ar trebui să țineți cont de condensul ocazional care s-ar putea forma din cauza fluctuațiilor de temperatură.
4. În timpul instalării, înclinarea dispozitivului față de planul vertical nu poate depăși 5°, iar întregul rând de dulapuri ar trebui să fie relativ la nivel. Este important să instalați dispozitivul într-un loc ferit de vibrații și impact puternic, unde componentele electrice să nu fie expuse la coroziune excesivă.

Lățimea dulapului (A) Adâncimea dulapului (B) Distanța orificiilor de montare (a) Distanța orificiilor de montare (b)
800 500 685 385
600 800 485 685
600 1000 485 885
800 800 685 685
800 1000 685 885
1000 800 885 685
1000 1000 885 885
Articol Parametrii
Tensiune nominală de izolație (V) 660
Tensiune nominală de funcționare (V) 380/660
Tensiune nominală a circuitului auxiliar (V) AC 220/380
DC 110/220
Frecvența de funcționare (Hz) 50-60
Curent nominal (A) Bară orizontală <3150
Bară verticală 630/800
Curent nominal de rezistență de scurtă durată Linia mediană (kA/1 s) 50
Bus-bar (kA/1 s) 30
Curent de vârf nominal (kA/0,1 s) 105/50
Capacitatea de rupere a unității funcționale (kA) 50 (valoare efectivă)
Grad de protecție a cabinetului IP40
Autobuz-bar Sistem trifazat cu patru fire, sistem trifazat cu cinci fire
Mod de operare La fața locului, la distanță și automat

Rezistenţă

1.Pentru considerente de achiziție: Aparatul de comutare combinat de joasă tensiune GGJ de la Welcome (Wenzhou) Electric Co., Ltd. vine cu mai multe fante de ventilație atât în ​​partea superioară, cât și în partea inferioară a dulapului. Acest design creează un flux de aer natural de jos în sus în interiorul dulapului etanș, abordând eficient provocările de disipare a căldurii pentru o funcționare fiabilă.
2. Ușa instrumentului aparatului de distribuție - echipată cu componente electrice - și piesele de montare interne formează un circuit complet de protecție la împământare, asigurând continuitate constantă a împământului în orice moment.
3. Poziționăm barele colectoare principale în partea superioară din spate a dulapului, asociate cu cleme de bare colectoare de tip AMJ realizate din materiale DMC/SMC din poliester nesaturat de înaltă rezistență. Aceste cleme oferă o rezistență mecanică și o performanță de izolare excepționale, în timp ce capacul superior detașabil al dulapului simplifică asamblarea și reglarea la fața locului a barelor colectoare principale.
4. Dulapul are acoperire cu pulbere electrostatică pentru o aderență puternică, iar toate componentele interne sunt supuse tratamentelor de galvanizare și pasivare. Acest lucru îmbunătățește capacitățile „trei rezistente” ale aparatului de comutare: rezistență la umiditate, rezistență la praf și rezistență la coroziune, prelungindu-și durata de viață în diverse medii.
5. Pentru a se potrivi diferitelor nevoi ale proiectelor, aparatul de comutare combinat de joasă tensiune GGJ acceptă mai multe opțiuni de intrare a cablurilor - intrare de sus, intrare de jos și intrare din spate - oferind o instalare flexibilă pentru proiectele de achiziții.

Instructiuni de comanda

◇ Schema circuitului principal;
◇ Capacitatea de compensare și metoda de compensare;
◇ Dacă nu este conform condițiilor normale de funcționare ale produsului, trebuie specificat în prealabil.


Hot Tags: GGJ Combinație de joasă tensiune, China, producător, furnizor, fabrică, comerț cu ridicata, personalizat, în stoc, fabricat în China, preț scăzut, calitate
Trimite o anchetă
Informatii de contact
  • Abordare

    No.777 Wanweng Road, sub-districtul Wengyang, orașul Yueqing, orașul Wenzhou, provincia Zhejiang, China

Trimiteți o întrebare către Comewill pentru aparate de comutare, întrerupătoare de circuit în vid, transformator de curent. Obțineți oferte personalizate, prețuri mici sau asistență expertă din partea echipei noastre din China.
X
Folosim cookie-uri pentru a vă oferi o experiență de navigare mai bună, pentru a analiza traficul site-ului și pentru a personaliza conținutul. Prin utilizarea acestui site, sunteți de acord cu utilizarea cookie-urilor. Politica de confidențialitate
Respinge Accepta