Produse
ACASA > Produse
Transformator de curent cu secvență zero LXK-120
  • Transformator de curent cu secvență zero LXK-120Transformator de curent cu secvență zero LXK-120
  • Transformator de curent cu secvență zero LXK-120Transformator de curent cu secvență zero LXK-120
  • Transformator de curent cu secvență zero LXK-120Transformator de curent cu secvență zero LXK-120

Transformator de curent cu secvență zero LXK-120

Un transformator de curent cu secvență zero LXK-120 de înaltă calitate este oferit de producătorul chinez profesionist Comewill, special conceput pentru protecția împotriva defecțiunii la pământ a sistemului de alimentare. Acest dispozitiv de interior utilizează o tehnică de turnare a rășinii și o structură cu miez divizat, permițându-i să fie separat în două jumătăți pentru instalare fără a fi nevoie să demontați bara - simplificând astfel substanțial procedurile de modernizare și construcție. Este potrivit pentru utilizarea în sisteme de 50 Hz sau 60 Hz, oferind protecție cu releu cu secvență zero pentru liniile cu un punct neutru împământat.

Cumpărați transformator de curent cu secvență zero LXK-120 de la Comewill, un producător și furnizor de încredere din China de transformatoare de curent de protecție. Proiectat pentru sisteme de alimentare de 10 kV și mai mici, acest CT cu secvență zero de tip deschis are o structură primară cu cablu prin miez, tensiune de rezistență a izolației secundare de 3 kV și turnare cu rășină epoxidice pentru performanțe de protecție fiabile.

Ceea ce diferențiază acest produs este structura circuitului primar care trece prin cablu, ceea ce înseamnă că numai izolația bobinei secundare necesită luare în considerare. Bobina secundară are o tensiune de rezistență la frecvența de alimentare de 3 kV, iar seria include modele populare precum LXK-φ80, LXK-φ100, LXK-φ120, LXK-φ150 și LXK-φ180 - toate fabricate la standarde stricte de calitate de Welcome (Wenzhou, Ltd.) Electric Co.

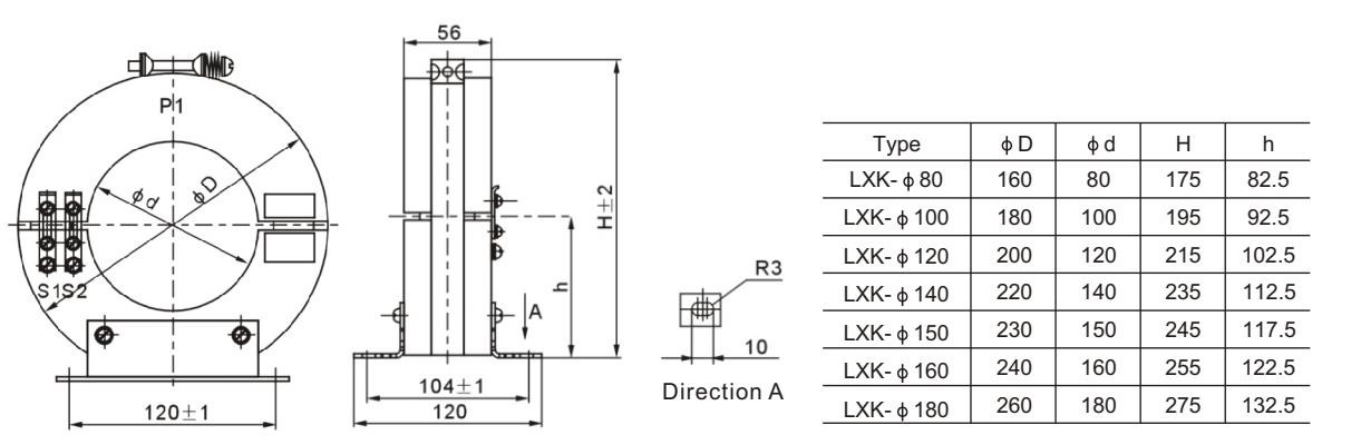
Transformatorul de curent cu secvență zero LXK-120 de la Welcome (Wenzhou) Electric Co., Ltd. este special conceput pentru protecția la supracurent în liniile de sistem de alimentare de 10 kV și mai jos, 50 Hz, precum și pentru generatoare și motoare AC trifazate de înaltă tensiune și este destinat numai utilizării în interior. Este compatibil cu cablurile de transmisie al caror diametru exterior nu depaseste 120mm; pentru detalii dimensionale precise ale modelelor LXK-80 până la LXK-160, vă rugăm să consultați tabelul cu parametrii tehnici furnizat de echipa noastră tehnică.

Descrierea tipului transformatorului de curent cu secvență zero LXK-120

L: Transformator de curent
X: Secvență zero
K: Tip deschis-închis
Φ120: Diametrul nominal al găurii interioare

Date tehnice ale transformatorului de curent cu secvență zero de tip deschis LXK

La Welcome (Wenzhou) Electric Co., Ltd., toate produsele noastre îndeplinesc cerințele standardelor naționale GB20840.1-2010 și GB20840.2-2014 și, de asemenea, suntem capabili să ne adaptăm ofertele pentru a se potrivi nevoilor unice ale clienților individuali. Iată o detaliere a specificațiilor tehnice cheie pentru produsele noastre:

Izolație nominală: 0,72/3 kV
Frecvența nominală: 50Hz/60Hz
Curentul secundar nominal: 5A sau 1A
Interval de temperatură de funcționare: -25°C ~ +40°C

Tip Clasele Raportul curent nominal (A) Putere nominală (VA)
L XK-80 (80/165*57) 10P5 ~ 10P10 50/575/5100/5150/5200/5250/5300/5400/550/175/1100/1150/1200/1250/1 5 ~ 1
LXK-100 (100/180*55) 10P5 ~ 10P10 5 ~ 1
LXK-100 (100/180*57) 10P5 ~ 10P15 10 ~ 1
LXK-120 (120/204*57) 10P5 ~ 10P15 10 ~ 1
LXK-120 (120/210*65) 10P5 ~ 10P15 10 ~ 2,5
LXK-120 (120/210*100) 10P5 ~ 10P20 15 ~ 2,5
LXK-120 (120/250*80) 10P5 ~ 10P20 15 ~ 1
LXK-150 (150/235*57) 10P5 ~ 10P10 10 ~ 1
LXK-150 (150/280*80) 10P5 ~ 10P20 15 ~ 1
LXK-160 (160/250*80) 10P5 ~ 10P20 5 ~ 1
LXK-180 (180/265*57) 10P5 ~ 10P10 10 ~ 1
LXK-180 (180/310*80) 10P5 ~ 10P20 15 ~ 1
LXK-200 (200/330*80) 10P5 ~ 10P20 15 ~ 1
LXK-240 (240/350*80) 10P5 ~ 10P20 15 ~ 1
LXK-260 (260/370*80) 10P5 ~ 10P20 15 ~ 1,5

Notă: Dacă aveți nevoie de specificații precum raportul actual sau dimensiunile de instalare care depășesc intervalele de mai sus, Welcome (Wenzhou) Electric Co., Ltd. este deschis să discute despre personalizări și să ajungă la un acord reciproc cu cumpărătorul.

Caracteristica de structură

La Welcome (Wenzhou) Electric Co., Ltd., transformatoarele noastre au un design deschis-închis și sunt turnate din rășină epoxidică. Când vine vorba de montarea lor, puteți împărți mai întâi transformatorul în două jumătăți, apoi puteți fixa cele două părți la loc ca o singură unitate, făcând întregul proces de instalare ușor. Acest model vine în șapte variante diferite de la compania noastră, fiecare cu un diametru interior unic: 80mm, 120mm, 140mm, 150mm, 160mm și 180mm.

Dimensiunea conturului

Hot Tags: Transformator de curent cu secvență zero LXK-120, China, producător, furnizor, fabrică, comerț cu ridicata, personalizat, în stoc, fabricat în China, preț scăzut, calitate
Trimite o anchetă
Informatii de contact
  • Abordare

    No.777 Wanweng Road, sub-districtul Wengyang, orașul Yueqing, orașul Wenzhou, provincia Zhejiang, China

Trimiteți o întrebare către Comewill pentru aparate de comutare, întrerupătoare de circuit în vid, transformator de curent. Obțineți oferte personalizate, prețuri mici sau asistență expertă din partea echipei noastre din China.
X
Folosim cookie-uri pentru a vă oferi o experiență de navigare mai bună, pentru a analiza traficul site-ului și pentru a personaliza conținutul. Prin utilizarea acestui site, sunteți de acord cu utilizarea cookie-urilor. Politica de confidențialitate
Respinge Accepta